Friday, 26 May 2017

Ball valve specification

What is a standard ball valve? Do ball valves seal better than gate valves? Find Ball Valves on GlobalSpec by specifications. The valve gets its name from the ball that rotates to open and close the valve.


Ball valves are used in situations where tight shut-off is required. The piece ball valve is a full port valve , which means the ID of the pipe remains constant through out once the valve is installed in line.

TEHCNICAL SPECIFICATION FOR BALL VALVE 1. Valves are sized according to the size of the pipe or thread that they conform to. If industry standards change or customer requirements vary from the above, please contact your sales representative. Select the right ball valve in one-piece, two-piece, three-piece, full port, or conventional port. Essentially a ball valve is composed of an outer shell, a ball with a hole in it, and an actuator such as a handle. Being a threaded ball valve no tooling is required for installation and it can easily be fitted onto a pipe with Male NPT Threads (National Pipe Threads).


Balon utilizes the following standards in the manufacture of ball valves. It should be noted that not all styles, configurations and materials used in Balon valves meet all of these standards in their entirety. Flowserve Worcester Controls Series three-piece ball valves , for many years the most respected ball valve design in the industry, are now better than ever.

A major research, design, and testing program brings you a new valve , designed to ANSI B16. This specification is not applicable to subsea pipeline valves , as they are covered by a separate specification , API 6DSS. A purchase specification that covers requirements for metal plug valves with flanged or butt-welding ends, and ductile iron plug valves with flanged ends, in sizes NPS through NPS 2 which correspond to nominal pipe sizes in ASME B36. Valve bodies conforming to ASME B16. All valves are full port “XU”- non-union (Apollo MFG.) 1psi SWP 6psi CWP MSS SP-1Valves are for fuel gas systems and UL Listed but are not available with the integral input union or strainers.


ROSS VALVE MANUFACTURING CO. The 94A full port forged ball valves from Apollo International are ideal for a wide range of plumbing, HVAC and gas applications. Designed to MSS SP-1specifications with CSA, UL, FM and NSF approvals. Download or view catalogs of KITZ valve products. Balon Corporation - Manufacturer of Floating Ball Valves , Trunnion Ball Valves , Swing Check Valves and Needle Valves for the Oil and Gas Industry.


Balon manufactures valves for a huge variety of applications in the oil and gas industry. Rated up to 600PSI (up to inch) with a chrome plated solid brass ball. Full port, piece design with blow out proof stem. Quarter-Turn Valves a) Ball Valves Positive Features 1) Bubble-tight shut-off from resilient (TFE) seats 2) Quick 90° open-close, not torque-dependent for seating 3) Straight-through, unobstructed flow, bidirectional 4) Minimal pressure drop if full-port selected 5) Can be throttled (Application dependent) 6) Easier to automate than multi.


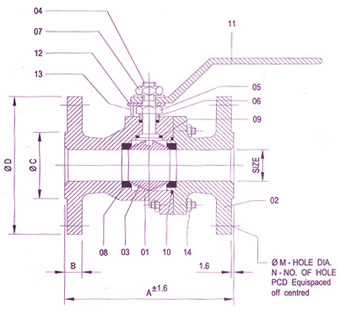
FLANGED FLOATING BALL VALVES. Lead Free Brass Ball Valves. The standards are: 1) ASME B16. Carbon Steel Ball Valves.

Stainless Steel Ball Valves. Sizes typically range from 0. Our products incorporate many unique design features for low fugitive emissions, simple in-line maintenance, and long service life.

No comments:

Post a Comment

Note: only a member of this blog may post a comment.

Popular Posts